|




|
Для монтажа кровельного покрытия ПРЕМЬЕР необходимо ровное, сухое и чистое основание, которое может быть выполнено из ОСП (ориентированно-стружечной плиты), фанеры повышенной влагостойкости, шпунтованной, обрезной доски, железобетонных плит и т.д. Стыки элементов основания следует располагать вразбежку с зазором 3–4 мм, при этом перепады по высоте не должны превышать 2 мм.
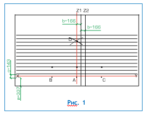
Разметка крыши (рис. 1)
- Используя «отбивку» (мелованную шнурку), проведите линию XY, проходящую
параллельно линии конька на расстоянии a = 33,7 см от линии карниза;
- условную середину этой линии обозначьте точкой A;
- по обе стороны от точки A на одинаковом расстоянии, равном примерно 1,5 м, отметьте
точки B и C;
- используя шнурку как циркуль с одним концом в точке B и длиной, большей, чем AB, но
меньшей, чем BC (приблизительно 2 м), сделайте засечку над точкой A. Повторите то же действие из точки C. Полученные таким образом дуги пересекаются в точке D;
- отбейте мелованной шнуркой прямую линию через точки AD до верха крыши,
обозначив таким образом центральную линию ската;
- параллельно AD на расстоянии b = 16,6 см отбейте линию Z1;
- параллельно Z1 на расстоянии b = 16,6 см отбейте линию Z2;
- начиная от линии XY, отбейте параллельные горизонтальные линии с шагом c = 14,3 см
до верха ската.
Дополнительная гидроизоляция
- Для дополнительной гидроизоляции кровли используются рулонные подкладочные материалы.
- При уклоне скатов до 30° подкладочный слой укладывается по всей поверхности кровли рядами, параллельными карнизу, с продольным нахлестом 10 см, поперечным — 20 см.
- При уклоне скатов кровли более 30° гидроизоляционную мембрану достаточно уложить в ендовы, по карнизу (не менее двух рядов), вокруг дымоходных труб, вентиляционных шахт, мансардных окон, а также в других местах вероятного скопления снега и образования «ледяных линз».
Укладка материала (рис. 2)
- Начальный ряд для черепицы ПРЕМЬЕР не требуется;
- первый ряд черепицы укладывается от линии AD (рис. 2а);
- второй ряд укладывается от линии Z1 (со смещением 16,6 см от AD) (рис. 2б);
- третий ряд укладывается от линии Z2 (со смещением 16,6 см от Z1) (рис. 2б);
- четвертый ряд — от линии Z1 (рис. 2б);
- пятый ряд — от линии AD (рис. 2б);
- в указанном порядке выполняется укладка материала на всей кровле.
Внимание:
- Не укладывать материал из разных партий (производственных кодов) на одну крышу ввиду возможного различия оттенка в партиях;
- Для резки черепицы ПРЕМЬЕР рекомендуется использовать нож с крючкообразным лезвием;
- Защитную пленку с нижней части листа удалять нет необходимости.
- Во избежание повреждения поверхности кровельного покрытия во время монтажа, рекомендуется: все работы проводить в специальной мягкой обуви с плоской подошвой, так же, рекомендуется, в жаркую погоду, если позволяют конструктивные особенности кровли, монтаж черепицы осуществлять от конька к карнизу (методом «сверху-вниз»).
Фиксация (крепление) листов
Для крепления гибкой черепицы ПРЕМЬЕР используются гальванизированные кровельные гвозди (FeZn) улучшенного прилегания (ершеные, крученые) с гладкими широкими шляпками (диаметр гвоздя – не менее 3 мм, диаметр шляпки – не менее 9 мм). Длина гвоздей зависит от толщины и типа обрешетки.
Каждый лист черепицы ПРЕМЬЕР крепится 4 гвоздями таким образом, чтобы гвоздь прошивал и верхний край низлежащего листа черепицы ПРЕМЬЕР (рис. 2а, 2б). При укладке черепицы на скатах при уклоне больше 60° лист должен крепиться 6 гвоздями (2 дополнительных гвоздя фиксируют верхние углы листа на расстоянии от краев 2,5 см).
Ендовы, места соединения кровельного покрытия с металлическими фартуками, мансардными окнами и т.п. должны быть тщательно обработаны битумной мастикой (картриджи/металлические банки). При применении мастики в банках используется шпатель. Мастика наносится полосами шириной 2–3 см и интервалом 1,5–2 см. Толщина слоя — не более 0,5–1 мм.
|
|



|
Внимание:
- При температуре окружающего воздуха менее 10 °C рекомендуется подогревать битумную клеевую полосу на нижней стороне листа при помощи строительного фена;
- После завершения монтажных работ необходимо убедиться в плотной фиксации лепестков черепицы. В случае необходимости, рекомендуется дополнительно зафиксировать лепестки с помощью битумной мастики Битустик.
- Увеличение расхода мастики не ведет к улучшению склеивания и может нанести вред склеиваемым поверхностям!
Ендова (рис. 3)
B качестве защитного подкладочного слоя применяется гидроизоляционная мембрана шириной 1 м (по 50 см в каждую сторону от оси ендовы). Гидроизоляционная мембрана фиксируется по краям гвоздями с шагом 10 см. На гидроизоляционную мембрану черепица фиксируется битумной мастикой либо наплавляется при помощи теплового строительного фена. Устройство ендов выполняется способом «Подрез».
- Укладка начинается со ската меньшей протяженности или с меньшим уклоном (скат I);
- лист черепицы, подходящий к ендове со ската I, заходит за ось ендовы на прилегающий
скат II на расстояние не менее 30 см, при этом лист фиксируется либо битумной мастикой, либо наплавляется при помощи теплового строительного фена;
- данные действия повторяются до тех пор, пока скат I не будет полностью закрыт
черепицей;
- на прилегающем скате II параллельно оси ендовы на расстоянии не более 10 см от нее
отбивается линия подрезки;
- лист, подходящий к ендове со ската II, должен доходить до линии подрезки и
обрезаться по ней. Верхний уголок обрезанного края листа подрезается под углом 60° (5 х 3 см — рис. 3);
- фиксация листов в ендове осуществляется при помощи битумной мастики, либо
наплавлением при помощи теплового строительного фена;
- данные действия повторяются до тех пор, пока укладка ендовы не будет завершена.
Внимание:
- Применение гвоздей ближе 30 см к оси ендовы недопустимо;
- Во избежание повреждений нижележащего покрытия, при подрезке листов черепицы необходимо соблюдать осторожность (подкладывать фанеру и т.п.).
Конек (рис. 4)
Верхний ряд черепицы доводится до линии конька (ребра), его выступающая часть перегибается через конек и фиксируется на противоположном скате.
Коньковые элементы нарезаются непосредственно из листов черепицы ПРЕМЬЕР и подкраиваются в форме трапеции (рис. 4). Полученные таким образом элементы укладываются внахлест на коньки и ребра (направление укладки по преимущественному направлению ветра). Каждый коньковый элемент фиксируется двумя гвоздями, которые перекрываются следующим коньковым элементом. Для лучшего прилегания и гибкости нижнюю сторону конькового элемента рекомендуется прогреть при помощи теплового строительного фена и обработать по периметру битумной мастикой.
Внимание:
Если Ваша крыша имеет какую-либо из перечисленных ниже особенностей, проконсультируйтесь с торговым представителем «ТЕГОЛА» относительно возможности использования того или иного материала и последовательности выполнения кровельных работ:
- чердачное помещение — жилое (мансарда);
- основание кровли выполнено не из ОСП/фанеры/доски;
- на крыше есть скаты, длина которых превышает 9 м;
- укладка материала происходит в холодный период (при температуре ниже 5 °C);
- использование данной кровельной системы в «сложных» климатических районах;
- другие отклонения при монтаже и эксплуатации кровли.
|